
国家知识产权局信息显示,东风汽车集团股份有限公司申请一项名为“一种IGBT和SiC芯片混合并联的电机控制器和控制方法”的专利,公开号CN121508411A,申请日期为2025年10月。
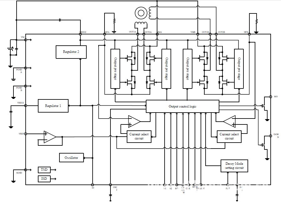
专利摘要显示,本发明提供了一种IGBT和SiC芯片混合并联的电机控制器,涉及汽车电机控制器技术领域,该电机控制器包括:功率模块、数字控制器;功率模块包括:IGBT芯片、SiC MOSFET芯片;IGBT芯片和SiC MOSFET芯片并联连接,IGBT芯片连接IGBT芯片专用驱动电路,SiC MOSFET芯片连接SiC MOSFET芯片专用驱动电路;数字控制器连接IGBT芯片专用驱动电路和SiC MOSFET芯片专用驱动电路,数字控制器生成两路带有可编程延时的PWM信号分别送给IGBT芯片专用驱动电路和SiC MOSFET芯片专用驱动电路。本发明采用IGBT和SiC MOSFET并联技术,利用SiC mosfet和Si IGBT的各自性能优势,实现IGBT的零电压开通和关断(ZVS),开关损耗极小的SiC MOSFET承担硬开关过程,减小Si/SiC混合器件总体开关损耗,提升开关频率,达到降低能耗,提升系统效率的目的。
天眼查资料显示,东风汽车集团股份有限公司,成立于2001年,位于武汉市,是一家以从事汽车制造业为主的企业。企业注册资本858937万人民币。通过天眼查大数据分析,东风汽车集团股份有限公司共对外投资了43家企业,参与招投标项目5000次,专利信息5000条,此外企业还拥有行政许可156个。
声明:市场有风险,投资需谨慎。本文为AI基于第三方数据生成,仅供参考,不构成个人投资建议。
特别声明:以上内容(如有图片或视频亦包括在内)为自媒体平台“网易号”用户上传并发布,本平台仅提供信息存储服务。
河北男孩放寒假每天睡到中午12点,爸爸不许家人打扰:这也许是他这辈子最舒服的几年
刘涛回应妈祖照爆火被设壁纸:大家对世界的美好祝愿和期盼,去年被授予“妈祖文化全球推广大使”
中国游客贝加尔湖遇难最新消息:7人身份全部确认,均未通过正规旅行社报名;事故后当地又发生多起陷车事故
重磅:UCL同意赔付6500名学生2125万镑,36所英国大学面临索赔
铁路系统2025录用51291人,兰州交大2143人,专科37712人博士63人
英特尔18A制程实测:M0间距36nm、GAA间距76nm,与宣传存在差距